Several changes have been included in the 2022 version of ASCE 7 as they relate to the roof. You may be thinking, 'as soon as I mastered ASCE 7-16, an updated version is set to be released!'. As with any Standard, it can be expected that updates will be made to include current research or trends. While the inclusion of tornado loads and the resulting changes in the load combinations may be the most significant, there are other updates that affect roofing as well. From minor updates to basic wind speed maps, to stepped roofs, and pavers, we have compiled a summary to help you navigate the updates. Not to fret, the changes are likely to not be incorporated until the 2024 version of IBC. However, that does not preclude incorporating these changes on current and upcoming projects.
Why are these Changes Significant?
The goal of the calculations in ASCE 7 are to determine the uplift pressures on a roof given project constraints including building height, location, and Risk Category. The resulting uplift pressures are then compared with tested roof assemblies to determine which assembly(ies) can be installed on a roof for each unique building. The assembly selection will also dictate the fastening method, whether it be mechanically fastened or adhered, and also the number and spacing of selected attachments. Changes in the Code may affect calculated uplift pressures that may influence the available roof assemblies.
What is the Update? Updated Basic Wind Speed Maps
Wind speeds vary rapidly and are continuously being recorded at various locations around the world. Wind speeds are recorded in miles per hour (mph) in 3-second intervals and are collected over the course of a year. Then, the maximum values of the 3-second intervals are recorded and tracked to see the occurrence throughout the year. Since wind is a random phenomenon and the speeds vary not only by day, but also by year, the maximum 3-second intervals for each year are compared over several years. Rather than simply taking an average of wind speeds over time, the average wind speeds are analyzed by determining the Mean Recurrence Interval (MRI), which is how frequently a wind speed is equaled or exceeded during any given period of time (in years). Generally, higher wind speeds have a lower recurrence interval over time, and lower wind speeds have a higher recurrence rate over time. Analyzing this data is how wind speeds for a particular location are established.
Wind speed (mph) has to be translated into units of force (psf) for design purposes in accordance with ASCE-7. The resulting forces are different in various roof zones.
ASCE 7-16 has published basic wind speed contour maps for each Risk Category. The wind speed maps have contour lines that show the wind speeds throughout the United States as they vary by geographical location. It is allowable to interpolate between the contour lines, or the larger value listed on the contour line may be used. Additionally, if a location-specific wind speed is desired, an online Hazard Tool developed by ASCE will give an exact wind speed based on an address or GPS coordinates. The 2022 version updated wind speeds, primarily along the coastline. Wind speeds have generally either decreased by a few miles per hour or remained unchanged from ASCE 7-16, with the exception of several cities along the Gulf of Mexico coastline that have increased wind speeds due to recent hurricanes that have made landfall.
Basic wind speeds from select coastal locations in hurricane prone regions at 33 ft for Exposure Category C are shown below. Wind speed data is shown for both ASCE 7-16 and ASCE 7-22 as a comparison.

What is the Update? Wind directionality factor, Kd was moved
The wind directionality factor, Kd, was removed from the Velocity Pressure Coefficient and inserted into the Components and Cladding design wind pressures equation.
The directionality factor (Kd) is a load reduction factor intended to take into account a reduced probability that the maximum wind speed will exactly coincide with the weakest direction of a building. According to ASCE 7, it accounts for the probability that the wind speed will come from any one direction given a location, and the maximum wind speed will occur from the direction that produces the maximum wind pressure on the building or its components. The directionality factor has constant factors to be used for Main Force Resisting Systems or Components and Cladding, but also accounts for various shapes of structures such as arched roofs, circular domes, and chimneys or tanks.
In ASCE 7-16, Kd was located in the Velocity Pressure Equation (eq. 26.10-1) where velocity pressure, qh, is evaluated at the mean roof height, h. Where qh= qz .
qh=0.00256KhKztKdKeV2 Which provides a velocity pressure in pounds per square foot (psf).
The resulting value of qh is then multiplied by the external pressure coefficients (GCp) and then used to determine the wind pressure coefficients for each roof zone (perimeter, corner, field, etc.)
p = qh [(Gcp) - (GCpi)] (lb/ft2)
In ASCE 7-22, the velocity pressure, qh, is evaluated at the mean roof height, h. Where qh= qz by the following equation (eq. 26.10-1):
qh=0.00256KhKztKeV2 Which provides a velocity pressure in pounds per square foot (psf).
As you can see, the directionality factor, Kd, has been removed from the equation. In calculations for both the Main Wind Force Resisting System and Components and Cladding, Kd, has been inserted into the equations. However, since we are focusing on the roof, this falls within the Components and Cladding (C&C) calculations in Chapter 30. The design wind pressures of C&C elements are calculated with the following equations:
For low rise buildings with h≤ 60 ft: (eq. 30.3-1)
p = qh Kd[(Gcp) - (GCpi)] (lb/ft2)
For low rise buildings with h>60 ft: (eq. 30.4-1)
p = q Kd[(Gcp) - qi Kd(GCpi)] (lb/ft2)
What is the Update? Velocity Pressure Coefficients, Kz and Kh updated
The Velocity Pressure Coefficients, Kz and Kh, for Exposures B and C were updated. Kz is the velocity pressure coefficient evaluated at height z, and Kh is the velocity pressure coefficient evaluated at height z = h. The velocity pressure at mean roof height h uses Kz. The variables are inserted into equation 26.10 to determine Velocity Pressure, qz (see equations above).

What is the Update? Simplified Methods for Calculating C&C Removed
The two simplified methods, Part 2 and Part 4 were removed from Chapter 30, Wind Loads, Components and Cladding.
In the 2016 version there were two simplified methods that allowed for reduced calculations:
Part 1 included calculations for Low-Rise Buildings
Part 2 was for Low-Rise Building (simplified)
Part 3 included calculations for buildings with h> 60ft
Part 4 was for buildings 60 ft<><160ft>160ft>
Part 5 is Open Buildings
Part 6 included Building Appurtenances, Rooftop Structures, and Equipment.
The 2022 version has removed the two simplified methods:
Part 1 for Low-Rise Buildings
Part 2 is for buildings with h> 60ft
Part 3 is Open Buildings
Part 4 includes Building Appurtenances, Rooftop Structures, and Equipment.
What is the Update? Section 30.12 was added to address roof pavers
Roof pavers are used in IRMA (Inverted Roof Membrane Assembly) and PMRA (Protected Membrane Roof Assembly) assemblies where the roofing components are installed at the structural roof deck level and then the pavers are installed as ballast on top of the roof assembly. Roof pavers vary in size, thickness, material, and spacing, in addition to installation method and pedestal size. Pavers are considered air permeable since the gaps between pavers and the space beneath the pedestals allow for partial air pressure equalization between the surfaces. Roof pavers were only addressed in the Commentary Section C30.1 of the 2016 version and are referred to as Air Permeable Cladding. However, siding, pressure equalized rain screen walls, shingles, tiles, and aggregate roof surfacing were all included in this category. In ASCE 7-16, 'because of partial air-pressure equalization provided by air-permeable claddings, the C&C pressures services from Chapter 30 can overestimate the load on cladding elements. The designer may elect to use the loads derived from Chapter 30 or those derived by an alternate method.' While equations and methods are not included in this edition, several references are included where calculation methods may be found.
In the commentary of ASCE 7-22, air permeable cladding is still defined as roof or wall claddings that allow partial air pressure equalization between the exterior and interior surfaces, with the same listing of claddings to include siding, roof pavers, and vegetative modular trays. The designer may elect to calculate the net uplift pressures of the pavers with recognized literature as noted in ASCE 7016 or Section 30.12. Section 30.12 was added to include Roof Pavers for Buildings of all heights with roof slopes less than or equal to 7 degrees. The Section includes an equation (eq. 30.12-1) to calculate design net uplift pressures:
p = qhKdCLnet (lb/ft2)
What is the Update? Roof Zones were revised for Hip and Gable Roofs
As wind blows over roof surfaces, it creates suction, or uplift, on the roof assemblies. The amount of uplift varies by building height, location (associated wind speed), and other factors unique to each building. The uplift created on the building is not uniformly distributed, and will vary depending on factors such as roof shape. Wind uplift is highest at the corners, then perimeters, and is the least in the field, or center of the roof; these varying wind uplift locations are called roof zones.
Hip Roofs are where all four sides of the roof slopes down to connect to the exterior walls at the eaves. Gable roofs have two slanted sides that form a ridge that connect to the vertical walls that extend to the ridge. Chapter 30 of both ASCE 7-16 and 7-22 include roof zone diagrams and graphics that can be used to determine the External Pressure Coefficients (GCp).

Image 1: Hip roof

Image 2: Gable roof
Images 1 and 2: Hip roof and gable roof, images courtesy of roofingcalc.com
In ASCE 7-22, both the roof zone diagrams and the graphics to determine GCp are updated. The roof zones are simplified to have three zones, Zone 1, Zone 2, and Zone 3 (in lieu of Zone 1, Zone 2r, Zone 2e, and Zone 3), and the accompanying zone layout was modified to include the Zone changes. The External Pressure Coefficients are determined using graphics, and those also have been updated and simplified.
Components and Cladding, h ≤ 60 ft, Gable Roofs Roof Slopes 7°≤Θ≤ 20° and 20°≤Θ≤ 27°

Components and Cladding, h ≤ 60 ft, Gable Roofs Roof Slopes 27°≤Θ≤ 45°

Hip roofs have one roof zone layout plan for all roof slopes, however, External pressure Coefficients graphs were updated for each.

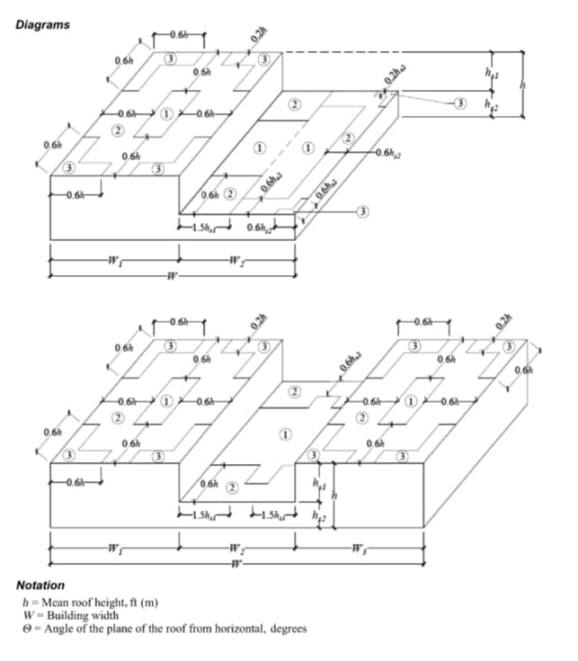
What is the Update? Roof Zones were revised for Stepped Roofs
Stepped roofs are where buildings have multiple flat roof levels, which are often seen on large hospitals, offices, and school buildings. While stepped roofs have wind uplift pressures and corresponding roof zones, it is important to note that wind on the lower roof is affected by the neighboring higher roof sections. At the intersection of the higher roof section with the lower roof section, the wind uplift pressures are lower.
New diagrams have been inserted into Chapter 30 of the ASCE 7-22 version. The primary change to note is that the corner zones, zone 3, have been changed from square shapes to L shapes. This is a reflection of the standard roof zones which have been updated from square corners to L shaped corners in more recent versions of ASCE as well.
ASCE 7-16, Figure 30.3-3 Components and Cladding, h ≤ 60 ft

ASCE 7-22, Figure 30.3-3 Components and Cladding, h ≤ 60 ft

What are the next steps?
It is anticipated that ASCE 7-22 will be adopted in the 2024 version of the IBC, so there is plenty of time to get comfortable with the updates. And as always, feel free to reach out to the Building & Roofing Science team at buildingscience@gaf.com with questions.